PPE Oil Filter Mount Aluminum Billet 114002100
PPE Oil Filter Mount Aluminum Billet 114002100
PACIFIC PERFORMANCE ENGINEERING
Part #
PPE-114002100
UPC #
840171221862
Couldn't load pickup availability
Product Description
Product Description
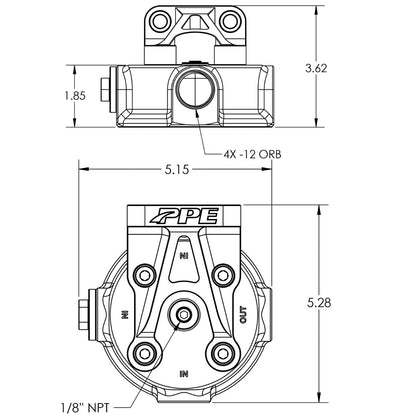
6061-T6 Aluminum Remote Oil Filter Mount
This remote filter mount has a higher flow rate than stock and is compatible with a variety of filters, including HP4 and HP6 Racing Filters. It features one outlet and three inlet ports, all -12 ORB for an easy leak-free installation and non-restrictive flow. Two out of the three inlet ports will be plugged by PPE Neodymium-magnet-equipped drain plugs, which pull harmful ferrous particles out of your oil. These plugs can be serviced by simply unplugging them and wiping out the metal particles trapped. It also features a 1/8” NPT port for an oil pressure/temperature sending unit. The mounting bracket can be mounted in four different positions to suit your application. Two threaded oil filter adapters are also included: 13/16”-16 (fits PPE Filters and GM filters) and 1 ½”-12.
Relocate your oil filter with this Remote Oil Filter Mount. Whether you are relocating your stock oil filter (PF2232) for easier access or wanting to use a larger filter such as our PPE High-Performance Engine Oil Filters (114000550/555/560), complete your project with this remote filter mount.
Share This With Your Boys

